p400
VIP MEMBER
- Joined
- Jul 14, 2014
- Messages
- 1,293
kmr5372 posted - hi - does anybody out there design wiring diagrams at a reasonable price ?
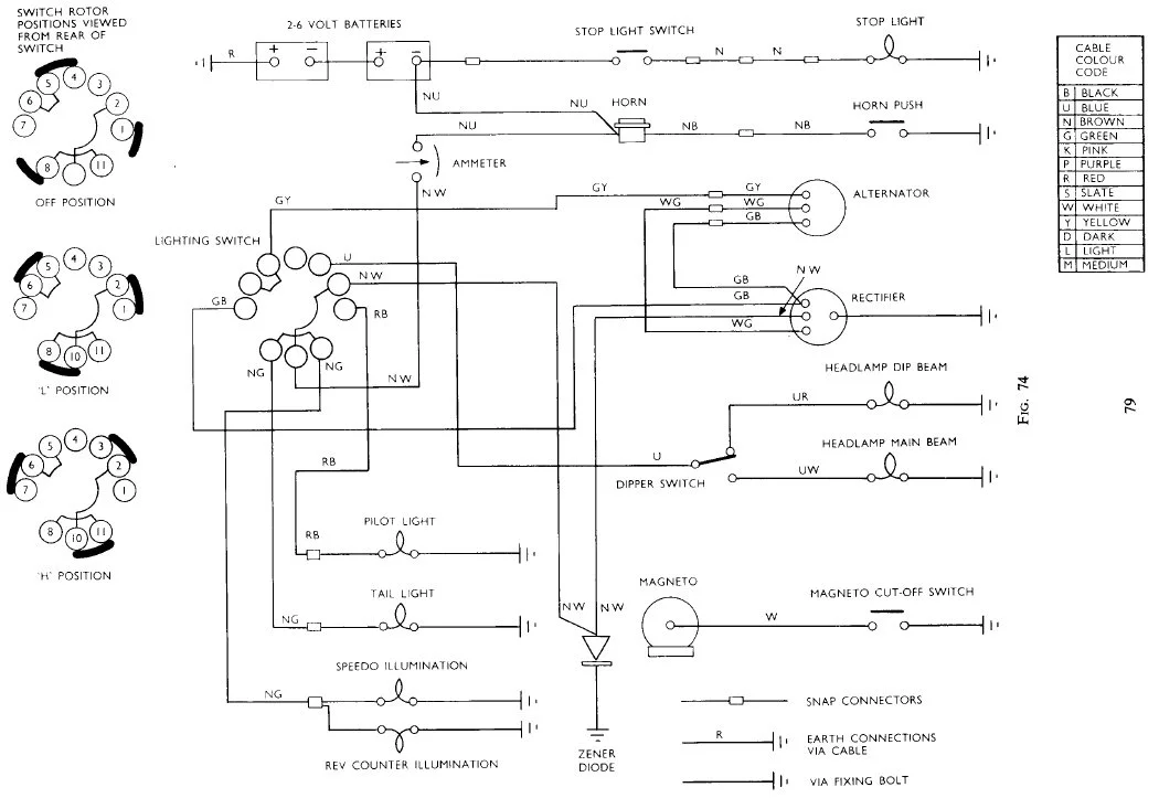
I have a 1964 atlas and was thinking of putting an electronic ignition and alton electric starter on it, the wiring loom is fairly bad so I was thinking of starting from scratch,
kmr5372 Posts: 3Joined: Mon Sep 28, 2015 3:26 pm
I think you can replace this harness with a new one at reasonable cost and excellent quality at http://www.britishwiring.com
Then you can add any harness you need for starter or coil ignition by purchasing supplies from this same vendor.
I have a 1964 atlas and was thinking of putting an electronic ignition and alton electric starter on it, the wiring loom is fairly bad so I was thinking of starting from scratch,
kmr5372 Posts: 3Joined: Mon Sep 28, 2015 3:26 pm
I think you can replace this harness with a new one at reasonable cost and excellent quality at http://www.britishwiring.com
Then you can add any harness you need for starter or coil ignition by purchasing supplies from this same vendor.