My What Am I Getting Myself Into Combat Build Thread

About the Red lettering

This is a snip from another post about Excel rims in the Commando section

snip...
Just to cover all my bases I asked Excel about the logo, and they say it "can be removed with thinner chemical like organic solvent, with xylene and toluene".
...snip
 
Well, i gave installing the tires a shot. Epic fail

My What Am I Getting Myself Into Combat Build Thread
 
I think I know what you are fighting, but don't know how to explain what to do, so it makes sense. I'll try anyway. The bead opposite side (across the diameter) of where you are working needs to be pushed into the middle of the rim to give you more slack where you are working. When you fill the tube it will all pop into place. Just don't puncture the tube moving things around with the spoons.

The tire irons shown below are good for manual tire changes. Without the one there made in Italy, I probably wouldn't have enough cuss words to get it done. You also should use rim protectors. Motion Pro and others make rim protectors.

My What Am I Getting Myself Into Combat Build Thread


My What Am I Getting Myself Into Combat Build Thread
 
I have rim protectors and the motion pro bead buddies (x2). None of that worked. Think the problem was the tire and rim. No way in hell was that tire going on with spoons (no matter which brand) and needed a professional tire installation machine.
 
I think I know what you are fighting, but don't know how to explain what to do, so it makes sense. I'll try anyway. The bead opposite side (across the diameter) of where you are working needs to be pushed into the middle of the rim to give you more slack where you are working. When you fill the tube it will all pop into place. Just don't puncture the tube moving things around with the spoons.

The tire irons shown below are good for manual tire changes. Without the one there made in Italy, I probably wouldn't have enough cuss words to get it done. You also should use rim protectors. Motion Pro and others make rim protectors.

My What Am I Getting Myself Into Combat Build Thread


My What Am I Getting Myself Into Combat Build Thread
I have 3 of those silver tire levers- they are awesome!! Would be lost without them.
 
Just trying to help.

I've put tubeless Continental Conti Go tires on an Excel rim, the stock rims, and a MORAD shouldered rim this year. Of the three types of rim the Excel was the easiest for me. None of them were any fun though. Dishwashing soap in water was my lube. I only do it because I'm getting old and want to see if I still can. Plus I don't trust kids in bike shops.

That Classic Continental must be a real stiffy.
 
It was a 110/90 tire on a WM4-18 rim. The Excel WM4 rim has a deep drop center. I think that was catching the bead on the other side (which i got on) so there wasn't enough give on the side i was working on (if that makes any sense). Also, the 110/90 tire has somewhat of a tall sidewall and it was stiff as hell which didn't help any

Thought i'd give it a go. Now i know :rolleyes:
 
Yes that makes sense.

In my case it was a WM4-18 Excel rim with 4.00-18 Conti Go tire. I got it on there. I'm not telling you how long it took though. I would have been fired at least 3 times if I was doing it for a living. ;)

Did you try that chemical mentioned in post 386 to see if it would remove the lettering safely?
 
Switches. I'm now at the electrical stage. I plan on a custom rewire with negative ground and LEDs. Is there any recommendations on switches. I don't think i need a switch to turn on a switch (i.e. the 2-position light switch) and thinking about killing my kill switch (i've read they sometimes fail on kill). I also want to run the dip beam all the time, so i won't need a switch for that, just the main beam. I'm also not not sure i need a push button for the main beam. That the leaves the following switches unused:

- 2 position light switch
- dip switch
- main beam push button
- kill switch
- spare

Any thoughts on repurposing these switches?

I plan to replace the power point with a usb charger. I could use one of the non-push button switches for that so that i could turn it off and on (which really isn't a requirement, but what am i going to do with all these switches). What about emergency flashers. That would need an always on switch. I really can't think of any other use for the push button switches. I'll probably keep the main beam button, but can't think of a use for the other two other than for a future starter. Maybe a nitrous button :cool:
 
...... I plan to keep the gas tank and side covers original, unless they completely look out of place with the now blingy look it's turning into. ........
Aw shucks! I've been offline with respect to this forum for a couple years on an airplane building project. Anyhow, I love the dedication and care you put into your project and greatly enjoyed the string. Anyhow, getting back on track, I have a VERY nice original Norton (not aftermarket) repainted matching set of side panels and tank that would fit your bike. The paint and lettering is very professional with flawless smooth clearcoat. But while truly beautiful, they are unfortunately NOT standard colors, being metal flake burgundy with painted silver/gold Norton logo. I purchased them probably 15 years ago for $850 (which I thought was bargain considering the paint quality), thinking I could adapt them to my '70 commando S that had fiberglass tanks. But alas, I had not done enough research to realize all the rest of the oil system mods that were part of the later 750 bikes. So I went with a good reproduction tank painted by Brent at vintage vendors, and the burgundy set went into my dry basement on a shelf under cloth. I'm not really trying to get much of anything anymore, just looking for a nice home for them. Well.... if you decide that your old, dingy tanks do look out of place on your otherwise blingy new bike, PM me. They are so nice you'll like burgundy even if you don't like burgundy.
 
Last edited:
Switches. I'm now at the electrical stage. I plan on a custom rewire with negative ground and LEDs. Is there any recommendations on switches. I don't think i need a switch to turn on a switch (i.e. the 2-position light switch) and thinking about killing my kill switch (i've read they sometimes fail on kill). I also want to run the dip beam all the time, so i won't need a switch for that, just the main beam. I'm also not not sure i need a push button for the main beam. That the leaves the following switches unused:

- 2 position light switch
- dip switch
- main beam push button
- kill switch
- spare

Any thoughts on repurposing these switches?

I plan to replace the power point with a usb charger. I could use one of the non-push button switches for that so that i could turn it off and on (which really isn't a requirement, but what am i going to do with all these switches). What about emergency flashers. That would need an always on switch. I really can't think of any other use for the push button switches. I'll probably keep the main beam button, but can't think of a use for the other two other than for a future starter. Maybe a nitrous button :cool:
I don't really understand the need for a kill switch, whether they fail or not. Seems unlikely to 1) take a spill, and then 2) need the switch and 3) be functionally/physically capable of making use of it. That balanced against accidently hitting it while, say, passing. As for the rest, given that they would mostly be in a strange position for other uses, seems easier to just leave as is. Also more standard if anyone else ever rides the bike. But pure opinion, worth just what it costs.

With your change to LED lighting, you will probably have enough alternator output, even with a weak rotor (which is likely after all this time). The zener voltage regulator system can work for purists, but its a balancing act between overcharging (with good rotor, cruise rpm, light elecrical load) and discharging (weak rotor, low rpm, and high load). I'd recommend you replace the zener (assuming you still have that system) with either a modern shunt or series MOSFET regulator (especially since you are going to negative ground anyway). Of these two, I greatly prefer the series type over the more common shunt type (if only on theoretical grounds), but that's a long discussion. Both are way ahead of the zener and will give you longer battery life.
 
I don't really understand the need for a kill switch, whether they fail or not. Seems unlikely to 1) take a spill, and then 2) need the switch and 3) be functionally/physically capable of making use of it. That balanced against accidently hitting it while, say, passing. As for the rest, given that they would mostly be in a strange position for other uses, seems easier to just leave as is. Also more standard if anyone else ever rides the bike. But pure opinion, worth just what it costs.

With your change to LED lighting, you will probably have enough alternator output, even with a weak rotor (which is likely after all this time). The zener voltage regulator system can work for purists, but its a balancing act between overcharging (with good rotor, cruise rpm, light elecrical load) and discharging (weak rotor, low rpm, and high load). I'd recommend you replace the zener (assuming you still have that system) with either a modern shunt or series MOSFET regulator (especially since you are going to negative ground anyway). Of these two, I greatly prefer the series type over the more common shunt type (if only on theoretical grounds), but that's a long discussion. Both are way ahead of the zener and will give you longer battery life.
Regarding the kill switch - I never use it . Last September I was hit on my Commando and wound up being pinned under it with it running in 3rd gear . Forgot about the kill switch ( because I never use it ) and wound up reaching around to the ignition switch , all the while worrying about my watch scratching the paintwork…while traffic whizzed by my head .
 
TomU, just reading through the pages up to this point. Just wanted to say the end result
is going to be fantastic. Anyone gutsy enough, like You, to lace their own wheels, it can't
be anything other that end result. I've often thought of that, lacing, it's going to be a dying art.
I'm up to tackle alot of things on mine, but I know that wouldn't be one of them.
Big time kudos to You. I did rewire my old Shovelhead, got by with 5 wire colors, when it
comes to electrical, less being more is a beautiful thing in my book.
Keep up the good work.
 
TomU, just reading through the pages up to this point. Just wanted to say the end result
is going to be fantastic. Anyone gutsy enough, like You, to lace their own wheels, it can't
be anything other that end result. I've often thought of that, lacing, it's going to be a dying art.
I'm up to tackle alot of things on mine, but I know that wouldn't be one of them.
Big time kudos to You. I did rewire my old Shovelhead, got by with 5 wire colors, when it
comes to electrical, less being more is a beautiful thing in my book.
Keep up the good work.
Nice thread TomU - hope to post my own one day as I have a 72 Combat as well.
Here’s one reason to keep the kill switch. Many years ago I lived in the country north of Mission BC and went down across the border to Sumas to bar hop. Coming home in the wee hours after crossing the border I gave some full throttle and it stuck on full. Ran home about 30 miles using kill switch to shift and control speed. Didn’t want to stop and attempt repair in case a cop came by or I couldn’t fix and then would be walking. Next morning back to normal operation and I concluded there was moisture and then frost in the cables ( it was winter and a very frosty night).
Best of luck on your upcoming test ride.
 
Think I'm going to try to keep the kill switch. Seems the way to get them to work reliably is to use the switch as a relay trigger. I got a PDM60. I think I can use that as the relay, just need to figure it out. Also, trying to figure out if i can swap the turn signals to the left side but still retain the horn and hi-beam flasher on the left. And also repurpose the headlight switch in the bezel as an emergency flasher. Lots to figure out :cool:
 
Think I'm going to try to keep the kill switch. Seems the way to get them to work reliably is to use the switch as a relay trigger. I got a PDM60. I think I can use that as the relay, just need to figure it out. Also, trying to figure out if i can swap the turn signals to the left side but still retain the horn and hi-beam flasher on the left. And also repurpose the headlight switch in the bezel as an emergency flasher. Lots to figure out :cool:
Using a relay with the standard kill button accomplishes nothing and adds a second failure point. You could use the extra button to pick a relay and a relay with normally closed contacts. At least that still leaves only one failure point while running.
 
Debby wired my bike and she did a pretty fantastic job. She used aftermarket switch gear (horn, high/low beam & turn signals) and it does have a aftermarket kill switch. All lights plus high/low are accessable by thumb on the left hand. She wired the on/off as a toggle and I assume that's why she wired the kill switch backward to confuse any would be thieves. Personally I never use a kill switch. She also added a fuse block that uses blade type fuses. This is velcroed onto the side of the battery for ease of access and for vibration dampening. She also included a Kuryakyn LED 12 Volt Battery Gauge. This sits just forward of the handlebars and gives you the charging information at a glance. It's pretty nice.

Having been down this road several times, the best thing to do is upgrade the rotor/stater and go with a modern regulator/rectifier. Get the charging right and the rest of the electrical system will work like it should.
 
Think I'm going to try to keep the kill switch. Seems the way to get them to work reliably is to use the switch as a relay trigger. I got a PDM60. I think I can use that as the relay, just need to figure it out. Also, trying to figure out if i can swap the turn signals to the left side but still retain the horn and hi-beam flasher on the left. And also repurpose the headlight switch in the bezel as an emergency flasher. Lots to figure out :cool:
I used a relay on my kill switch for a different reason, but worked fine.
 
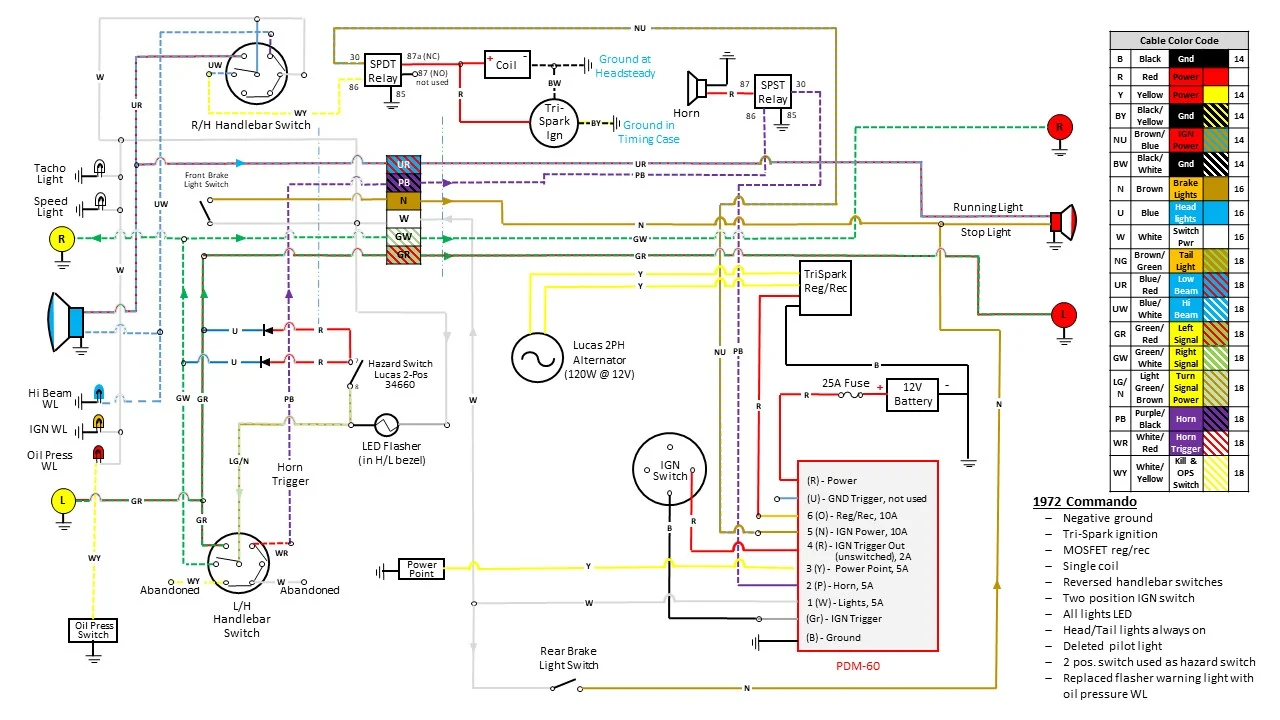
Well it's taken me a full month to get my head wrapped around the electrical system. My grand plan is:

- Negative ground
- Tri-Spark ignition
- MOSFET reg/rec
- Single coil
- Reversed/Modified handlebar switches (signals on the left, hi beam on the right, retain kill and high beam on the right and horn on the left)
- Two position IGN switch (original is toast)
- Power Distribution Module
- All lights LED (lights always on)
- Deleted pilot light
- Repurposed 2 pos. switch used as hazard switch
- Replaced flasher warning light with oil pressure WL (you can see the flashers when they are on)
- Horn relay
- Modified kill switch (using SPDT relay)
- Oil pressure switch
- USB charger

Schematic:

My What Am I Getting Myself Into Combat Build Thread


Now just hope it all works :rolleyes:

EDITS:
1. Revised the Tri-Spark/Coil wiring
2. Added a power feed to the L/H Switch for the horn trigger
 

Attachments

  • My What Am I Getting Myself Into Combat Build Thread
    72 Custom Wiring Diagram (negative earth)2.webp
    104.4 KB · Views: 298
  • My What Am I Getting Myself Into Combat Build Thread
    72 Custom Wiring Diagram (negative earth)2.webp
    103.3 KB · Views: 252
Last edited:
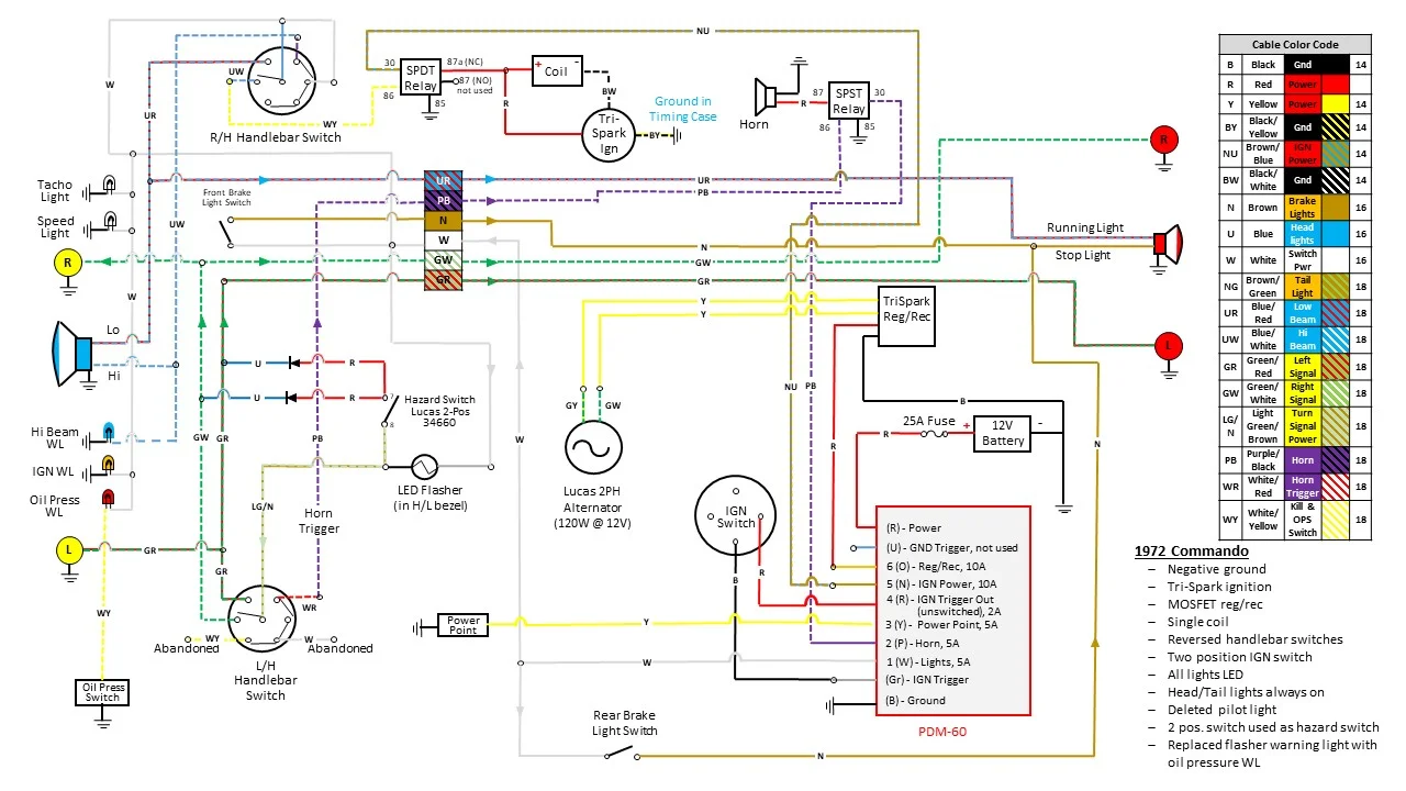
Made some minor tweaks and added a 3rd position to the ignition switch for hazards on with key out

My What Am I Getting Myself Into Combat Build Thread
 
Back
Top