TTI gearbox

Status
Not open for further replies.

Brian Riley

VIP MEMBER
Joined
Apr 19, 2020
Messages
49
Country flag
Is there anyone on here using a TTI Gearbox?
I’m wanting to order one for my 500 dominator and looking at the dimensions they give the commando set up is to long for a domi and different offset for the rear chain
But seems to be perfect on the manx dimension for the rear chain! But my question has anyone tried to fit one to a dominator and what spec did you end up with?
 
Is there anyone on here using a TTI Gearbox?
I’m wanting to order one for my 500 dominator and looking at the dimensions they give the commando set up is to long for a domi and different offset for the rear chain
But seems to be perfect on the manx dimension for the rear chain! But my question has anyone tried to fit one to a dominator and what spec did you end up with?
Hi. I have used a six speed magnesium case TT gearbox on my racing Dommie for about 12 years.

Getting the mainshaft the right length is a bit of a battle it seems. Mine arrived with Commando mainshaft. But Bruce does make a shaft that fits a Dommie primary drive and rear wheel in a featherbed frame. You just have to highlight it very clearly in the order.

VERY CLEARLY. 🤣🤣
 
Have a 5-speed HD one on my Manx. As it came interfered with lower frame tube. Either make new engine plates, moving box up a few millimeters. Or milling or filing off some material on the box and and counterbore a bit for one of the inner cover screws. Plus taking off some material so that it could move freely whole length of the adjusting slot. No problem with primary aligning as it was ordered for a Manx. Just a thin shim under engine sprocket.
 
Hi. I have used a six speed magnesium case TT gearbox on my racing Dommie for about 12 years.

Getting the mainshaft the right length is a bit of a battle it seems. Mine arrived with Commando mainshaft. But Bruce does make a shaft that fits a Dommie primary drive and rear wheel in a featherbed frame. You just have to highlight it very clearly in the order.

VERY CLEARLY. 🤣🤣
I’m very glad to hear that thank god!!! Mine fits the manx rear drive, how much shorter was the dominator shaft to the commando shaft?
 
I’m very glad to hear that thank god!!! Mine fits the manx rear drive, how much shorter was the dominator shaft to the commando shaft?
Sorry I don't know. The gearbox is in the bike and it was 12 years ago. That's why I suggested talking to Bruce.
 
Have a 5-speed HD one on my Manx. As it came interfered with lower frame tube. Either make new engine plates, moving box up a few millimeters. Or milling or filing off some material on the box and and counterbore a bit for one of the inner cover screws. Plus taking off some material so that it could move freely whole length of the adjusting slot. No problem with primary aligning as it was ordered for a Manx. Just a thin shim under engine sprocket.
Mike I read in one of your other posts you selected the lower ratio gears did that make a difference to the bike ie better low Down?
 
This might help. I thought my gearbox was away with my frame and engine but just remembered it was in my shed. I can't give the mainshaft total lenght but I could measure the lengths from the gearbox face. In mm. There is a bit of parallex in the photo which is why the lines don't match exactly.

I have been using the box with a Bob Newby belt drive clutch.
 

Attachments

  • TTI gearbox
    20230612_205640.webp
    121.5 KB · Views: 318
This might help. I thought my gearbox was away with my frame and engine but just remembered it was in my shed. I can't give the mainshaft total lenght but I could measure the lengths from the gearbox face. In mm. There is a bit of parallex in the photo which is why the lines don't match exactly.

I have been using the box with a Bob Newby belt drive clutch.
Brilliant thanks for that John this is what I’ve got as standard with my norton box I’ve done these measurement's from the top mounting lug, I’m using a manx chain drive clutch on mine.
A) is the end of the splines on the shaft where the clutch buts up to
B) is the end of the sleeve gear. What is your total shaft lengh to the end of the splines from the top mounting lug like thie second picture from his webpage just so I can sort this out with him tonight before I leave home tonight. And thanks for your help
 

Attachments

  • TTI gearbox
    AC8F65C2-FC0C-4EAD-8C7E-D982AF2A35EB.webp
    115.3 KB · Views: 296
  • TTI gearbox
    1095D701-6ACC-4389-9897-17644A2D448B.webp
    31 KB · Views: 352
I’m very glad to hear that thank god!!! Mine fits the manx rear drive, how much shorter was the dominator shaft to the commando shaft?
About 5mm shorter. The bottom gearbox mounting points in your engine plates will nrrd to be redrilled in a slightly different position. The holding studs are slighty thicker. I made them out of titanium. I use a manx clutch behind my 850 commando engine, so I made a splined carrier fpr the crank to carry a floating Jawa speedway sprocket - it floats about 5mm I think the difference in mainshaft lengths would be in your favour. Do not forget to specify, which direction you want the gear change to work There are two selector druns for the 6 speed box. Bruce sent me the drum which is Triumph shift pattern, and I had to send it back to get one-up and five down. The box is too long to be mucking around with linkages diagonally across it's end. And on my bike I cannot use reversed lever.
I don't thimk you will be disappointed - 6 speeds close ratio will make a dominator perform really well.
I was using the ordinary Norton box before I fitted the TTI - the final drive sprocket is in the same position
 
Last edited:
I think Bruce makes TTI boxes for use on Manx Nortons. I doubt the Domiracer would have used a different mainshaft in its gearbox. If you phone him, you will find he rally knows his business. The 6 speed box is a copy of a Schaflietner of the 1960s
 
Brilliant thanks for that John this is what I’ve got as standard with my norton box I’ve done these measurement's from the top mounting lug, I’m using a manx chain drive clutch on mine.
A) is the end of the splines on the shaft where the clutch buts up to
B) is the end of the sleeve gear. What is your total shaft lengh to the end of the splines from the top mounting lug like thie second picture from his webpage just so I can sort this out with him tonight before I leave home tonight. And thanks for your help
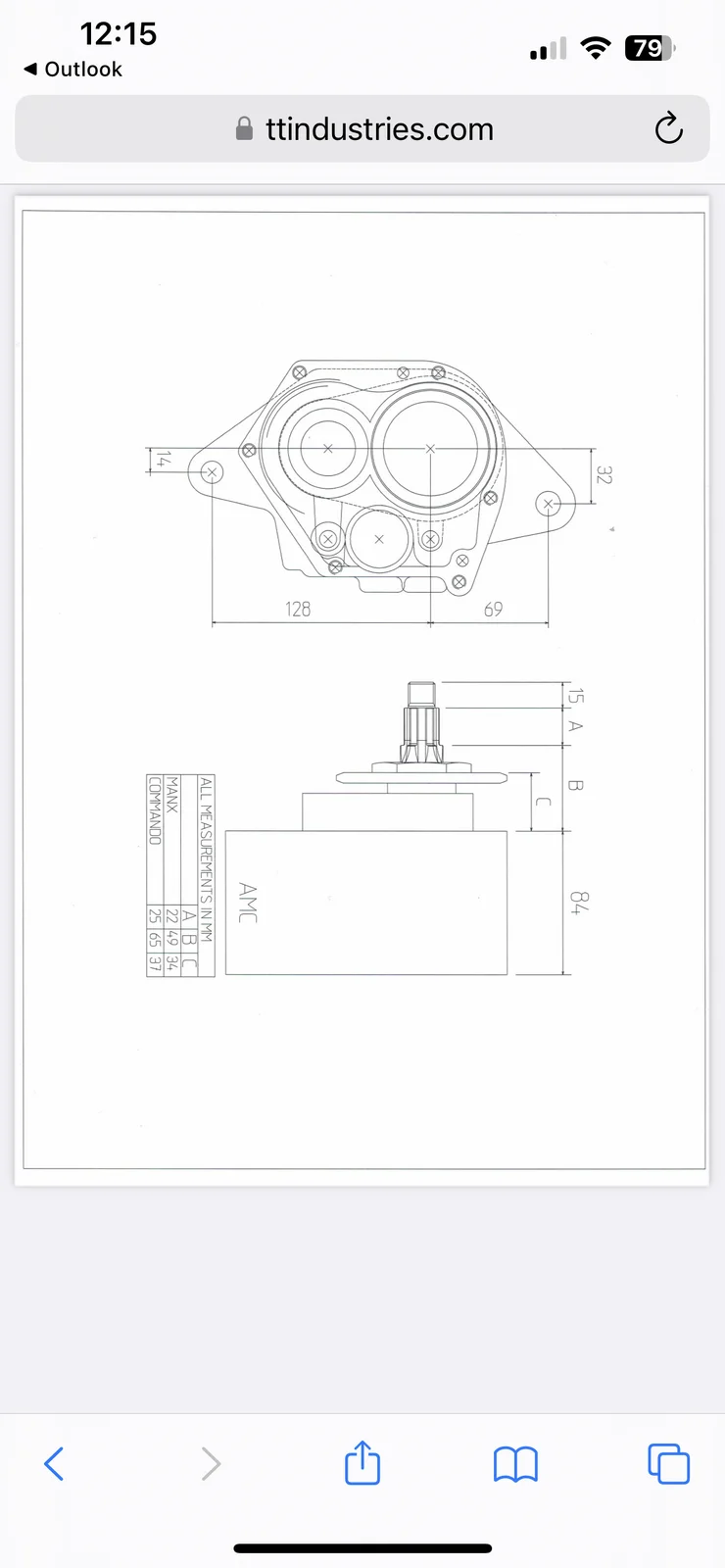
On your second diagramme.

A is 18 mm

B is 62 mm

C is 36 mm

Distance between mounting plates is 84 mm. Same as your diagramme.

Thread on end is 15 mm. Same as your diagramme.

You will see the distance a is 19.5 by subtraction on my first diagramme. I'd take the 18 as more accurate because the first diagramme is measured as close as I could from the gearbox bearing housing face as per the photo

The sprocket offset C may be different from a standard Dommie. I'm actually using a Triumph cotton reel rear hub and brake drum because the standard Norton one weighs a ton. Plus you can swap rear sprockets for easier gearing changes. We just made rear axle spacers to get the chain run correct.
 
Last edited:
Mike I read in one of your other posts you selected the lower ratio gears did that make a difference to the bike ie better low Down?
It is only 1st that is lower. I selected it because rev drop on upshift can be greater on low gears where there is less air resistance. At high speed you need a small rev drop to continue accelerating.
The 5 speed TTI (with low first) has a nice ratio spacing progressively decreasing at higher gears. This gives fairly good acceleration from standstill and up. But the 350 Manx engine with a short usable rev range is still not happy at very low speeds. Have to slip clutch when going in the pits. Out on track completely enjoyable. On the tracks I've ridden (with no really tight hairpins) 1st is only used for starts.
 
On your second diagramme.

A is 18 mm

B is 62 mm

C is 36 mm

Distance between mounting plates is 84 mm. Same as your diagramme.

Thread on end is 15 mm. Same as your diagramme.

You will see the distance a is 19.5 by subtraction on my first diagramme. I'd take the 18 as more accurate because the first diagramme is measured as close as I could from the gearbox bearing housing face as per the photo

The sprocket offset C may be different from a standard Dommie. I'm actually using a Triumph cotton reel rear hub and brake drum because the standard Norton one weighs a ton. Plus you can swap rear sprockets for easier gearing changes. We just made rear axle spacers to get the chain run correct.
Hi John thanks for that I’ve got mine bang on the same as a manx in the 2nd diagram as I’m using a manx rear hub, I’ll get on to him tonight and ask him for the dominator primary drive one and hope the chain lines up or might be some machining required on the shaft
 
Lining the engine sprocket ip with the clutcu can be a problem. The Norton cranks all have a 5 degree taper under the engine sprocket. I think the speedway Jawa sprocket carrier probably fits, however I had mine made by a smart engineering shop. I use single row primary chain snd the sprocket floats. To change the overall gearing, I simply pop the circlip and adjust the chain.
I have several Norton engine sprockets - they must come from several different models, because the position of the chain-run is different on every one of them. For a road bike you might be able to find one which would solve the prinary chain line problem.
The Jawa speedway sprocket carrier comes with a puller, but you would have to check the internal taper. I suspect Jawa are pretty snart - the taper in their carrier probably fits 5 dergees taper.
Andy Smith in the UK sells Jawa bits. I think I bought four emgine sprockets from him for about 20 bucks,
The TTI box came with four final drive sprockets. To change gearing, it is easier to change the engine sprocket. The final drive sprocket is tightened at 90 ft lbs.
 
Last edited:
Lining the engine sprocket ip with the clutcu can be a problem. The Norton cranks all have a 5 degree taper under the engine sprocket. I think the speedway Jawa sprocket carrier probably fits, however I had mine made by a smart engineering shop. I use single row primary chain snd the sprocket floats. To change the overall gearing, I simply pop the circlip and adjust the chain.
I have several Norton engine sprockets - they must come from several different models, because the position of the chain-run is different on every one of them. For a road bike you might be able to find one which would solve the prinary chain line problem.
The Jawa speedway sprocket carrier comes with a puller, but you would have to check the internal taper. I suspect Jawa are pretty snart - the taper in their carrier probably fits 5 dergees taper.
Andy Smith in the UK sells Jawa bits. I think I bought four emgine sprockets from him for about 20 bucks,
The TTI box came with four final drive sprockets. To change gearing, it is easier to change the engine sprocket. The final drive sprocket is tightened at 90 ft lbs.
I spoke to him last night and he’s going to make the shaft to spec for me which im
Over the moon with, it’s a 5 speed laydown box he’s doing it’s part of his new range and they look really good, and the cases are copied of an original manx ones so should fit perfectly, I’ll up date the Group with photos once I have the gearbox
 
Cheers Mike I asked for the lower first gear last night and going to do the shaft to spec I spoke with Vaughan last night he’s a nice guy to deal with and very helpful
Forgotten, years ago, did no notes. Definitely less than a millimeter, guess around .4 to .6 millimete
 
Just to clarify. Short stroke Manx engine sprockets are splined. Not tapered as most other Nortons. Explains why it was easy to line up using shims.
 
Brian, I typed this out yesterday, but it hung up and didn't post. So here it is anyway, even though I see from your comments it is redundant.........but do check the next to last line.....Bruce's ideas on preferred shift pattern come from his experience with Australian and New Zealand racers! Not always the same as us Brits!



Good to talk it through with Bruce as suggested. However, the UK supplier of TTi boxes is Minnovation. Talk to them as well.

They mainly build Seeley G50 style bikes with TTi boxes in, and belt drives! They do have a considerable general knowledge and prepare some nice bikes, though I doubt they have a great specific knowledge of the Dommi, or the Manx clutch and it's similarity or otherwise to the AMC clutch. I doubt they have the mainshaft you need in stock, but when you know what that is from Bruce, do check.

If you buy direct from Bruce you will be rolling the dice on import charges. From Minnovation you should get a firm quote.

You are also going to need to be clear which way you want your gear change to operate, and be able to express that in terms of clockwise or anticlockwise at the gear change shaft!

You don't mention how many speeds you want or if you need a kickstart. Again you will need to be clear!
 
Status
Not open for further replies.
Back
Top