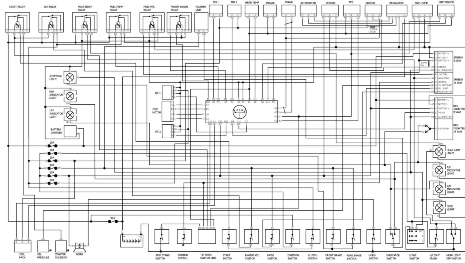
Wiring diagrams.

cliffa

VIP MEMBER
Joined
May 26, 2013
Messages
4,550
Country flag
Hi all,

I see we have the Euro4 wiring diagram in the resources section, but does anybody have the earlier versions we could add?

Thanks in advance.
 
And an update to Euro 4 that came in the manual
 

Attachments

  • Wiring diagrams.
    Euro4 update .webp
    95.3 KB · Views: 263
And an update to Euro 4 that came in the manual
Thanks speirmoor. That’s interesting, on the update the tilt switch is no longer showing but the tilt controller (with 5 wires) is there. Is that how your bike is?
 
Back
Top